The DC60 DuraCoder is a new line of heavy-duty absolute analog multi-turn rotary shaft encoders, offering an analog current or analog voltage output over multiple turns.
Units can be ordered with a full scale output over any number of turns between 1 and 1,024. The analog output has 16 bit resolution regardless of the number of turns encoded.
Built on DuraCoder's foundation of outstanding durability and value, the DC60 was originally designed for outdoor process control applications. Features like an IP67 rated aluminum housing and resolver-based sensing technology contribute to the DuraCoder's fail-safe reliability, making it the perfect choice for hydroelectric, water treatment, or water purification facilities.
When customers demand reliable absolute analog multi-turn rotary shaft encoder performance in an environment of continuous mechanical shock and vibrations, and exposure to air and liquid-borne contaminants, the choice is easy - DuraCoder.
DC60xx-xxxxxxxxx: Analog, multi-turn, 1 - 1,024 turns
Price | $969.00/ea
Note: Pricing is US Domestic only
Consult the factory for availability
Contact SalesAMCI's DuraCoder rotary shaft encoders are resolver-based, providing the heaviest duty 2.5" rotary shaft encoder available, anywhere. Several features set this family of rotary encoders apart from the competition; namely, its cost saving durability, field programmability, and wide range of applications.
AMCI resolver-based rotary shaft encoders have earned a "bulletproof" reputation among established machine builders and successful system integrators.
The AMCI DuraCoder product line boasts up to an IP67 rating. Solid shaft and hub shaft versions are available, and both types incorporate an oversized double row bearing that supports shaft loads up to 100 lbs. radial / 50 lbs. axial.
| DC60 Absolute Analog Multi-turn Rotary Shaft Encoder | |
|---|---|
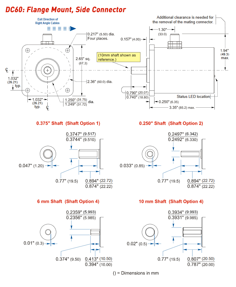
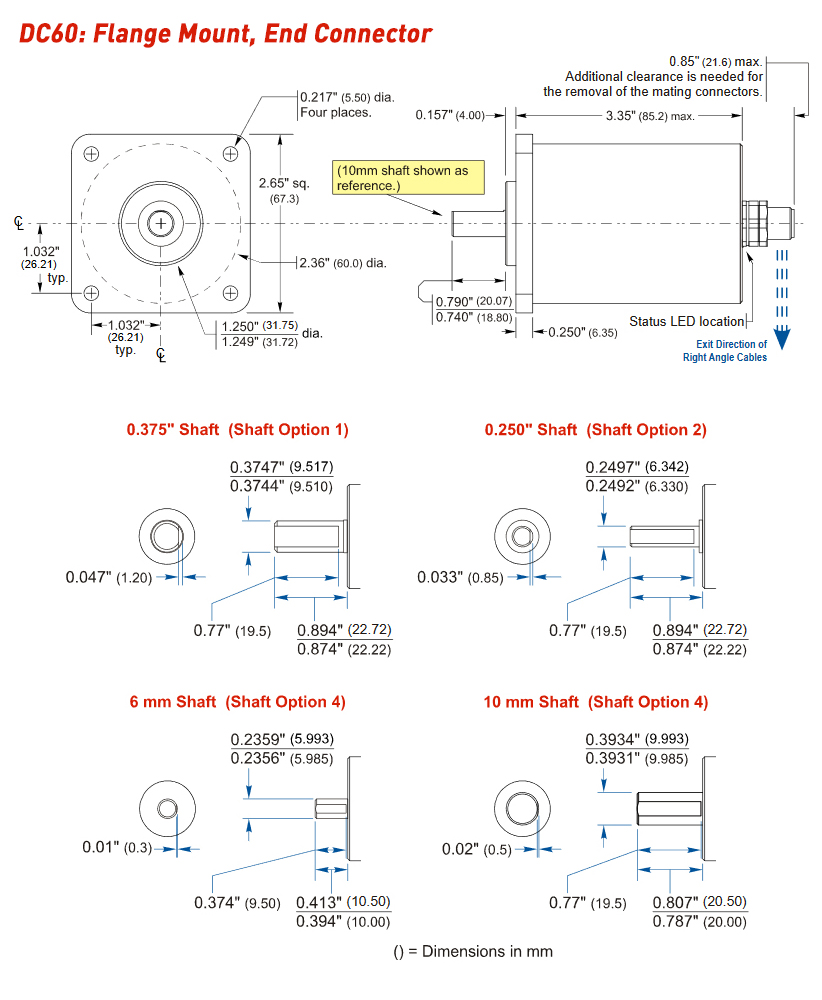
| Shaft: | - 0.375" dia x 0.884" long, w/ 0.047" x 0.77" flat - 0.250" dia x 0.884" long, w/ 0.033" x 0.77" flat - 6 mm dia x 10.25 mm long, w/ 0.3 mm x 9.5 mm flat - 10 mm dia x 20.25 mm long, w/ 0.5 mm x 19.5 mm flat |
| Shaft loading: | Axial: 20 lbs (89N) Radial: 40 lbs (178 N) Bearing life rated at 2x10^9 revolutions minimum at maximum shaft load |
| Starting torque: | 2.0 oz-in (1.41 N-cm) max @ 25 degrees C |
| Moment of inertia: | 6.0 x 10^-4 oz-in-sec^2 (43.2 X 10^-6 kg-cm-sec^2) |
| Weight: | 1.3 lbs (0.59 kg) |
| Housing: | Powder coated aluminum or stainless steel housing |
| DC60 Absolute Analog Multi-turn Rotary Shaft Encoder | |
|---|---|
| Shaft: | - 0.375" dia x 0.884" long, w/ 0.047" x 0.77" flat - 0.250" dia x 0.884" long, w/ 0.033" x 0.77" flat - 6 mm dia x 10.25 mm long, w/ 0.3 mm x 9.5 mm flat - 10 mm dia x 20.25 mm long, w/ 0.5 mm x 19.5 mm flat |
| Shaft loading: | Axial: 20 lbs (89N) Radial: 40 lbs (178 N) Bearing life rated at 2x10^9 revolutions minimum at maximum shaft load |
| Starting torque: | 2.0 oz-in (1.41 N-cm) max @ 25 degrees C |
| Moment of inertia: | 6.0 x 10^-4 oz-in-sec^2 (43.2 X 10^-6 kg-cm-sec^2) |
| Weight: | 1.3 lbs (0.59 kg) |
| Housing: | Powder coated aluminum or stainless steel housing |
The following mating connector is available from AMCI. Note that any commercially available M12 connectors with the proper coding and contacts can be used.
| AMCI Part Number | Description |
| MS-37 | Female, A-coded, 8 contacts. Screw terminal connections. 6 to 8 mm dia. cable. Maximum 20 AWG wire dia. Straight, IP67 rated when properly installed |
| AMCI Part Number | Description |
| MS-37 | Female, A-coded, 8 contacts. Screw terminal connections. 6 to 8 mm dia. cable. Maximum 20 AWG wire dia. Straight, IP67 rated when properly installed |
AMCI offers the following cordset for use with the DC60
| AMCI Part Number | Description |
| CNFL-5M | Molded cordset. 5 meters in length. Straight M12 8 pin A-coded to flying leads IP67 rated when properly installed. |
| AMCI Part Number | Description |
| CNFL-5M | Molded cordset. 5 meters in length. Straight M12 8 pin A-coded to flying leads IP67 rated when properly installed. |
An eight pin, A-coded male M12 connector is used on the DC60 units. It is located on the back or side of the unit. This connector is the Turck eurofast FS 8 or equivalent. The pinout for the connector is shown below.
![]() Turck FS 8 or equ. | Pin | Description |
| 1 | +DC Power Input | |
| 2 | DC Return (GND) | |
| 3 | Preset to Zero Input | |
| 4 | No Function, Attach to DC Return | |
| 5 | Analog Output | |
| 6 | No Function, Attach to DC Return | |
| 7 | Direction Control Input | |
| 8 | DC Return (GND) |
![]() Turck FS 8 or equ. | Pin | Description |
| 1 | +DC Power Input | |
| 2 | DC Return (GND) | |
| 3 | Preset to Zero Input | |
| 4 | No Function, Attach to DC Return | |
| 5 | Analog Output | |
| 6 | No Function, Attach to DC Return | |
| 7 | Direction Control Input | |
| 8 | DC Return (GND) |
| DC60 Absolute Analog Multi-turn Rotary Shaft Encoder | |
|---|---|
| Operating Voltage | 10 to 30 Vdc maximum |
| Power Requirements | 1.0 W max. 30 mA @ 24 Vdc typical Value is the operating power and does not include current supplied by the analog output. |
| Position Resolution | 16 bit (1 part in 65,536) |
| Position Update Time | 1.6 milliseconds |
| Available Output Types | 0 to 10Vdc, 0 to 20mA, or 4 to 20mA |
| Maximum Output Settling Time | 50 microseconds when switching between minimum and maximum outputs |
| Direction of Increasing Counts | Default CW looking at shaft Can be set to CCW increasing by shorting the Direction Control Input pin (pin 7) to DC Return. |
| Zero Position | Can be set by pulsing the Preset to Zero Input pin (pin 3) from DC Return to open circuit or +DC Power. Minimum pulse width of 2,000 milliseconds. |
| DC60 Absolute Analog Multi-turn Rotary Shaft Encoder | |
|---|---|
| Operating Voltage | 10 to 30 Vdc maximum |
| Power Requirements | 1.0 W max. 30 mA @ 24 Vdc typical Value is the operating power and does not include current supplied by the analog output. |
| Position Resolution | 16 bit (1 part in 65,536) |
| Position Update Time | 1.6 milliseconds |
| Available Output Types | 0 to 10Vdc, 0 to 20mA, or 4 to 20mA |
| Maximum Output Settling Time | 50 microseconds when switching between minimum and maximum outputs |
| Direction of Increasing Counts | Default CW looking at shaft Can be set to CCW increasing by shorting the Direction Control Input pin (pin 7) to DC Return. |
| Zero Position | Can be set by pulsing the Preset to Zero Input pin (pin 3) from DC Return to open circuit or +DC Power. Minimum pulse width of 2,000 milliseconds. |
| DC60 Absolute Analog Multi-turn Rotary Shaft Encoder | |
|---|---|
| Enclosure: | IP67 |
| Shock: | 50 G's for 11 mSec |
| Vibration: | 20 g, 5 to 2,000 Hz |
| Operating temperature: | -40° C to +85° C standard |
| DC60 Absolute Analog Multi-turn Rotary Shaft Encoder | |
|---|---|
| Enclosure: | IP67 |
| Shock: | 50 G's for 11 mSec |
| Vibration: | 20 g, 5 to 2,000 Hz |
| Operating temperature: | -40° C to +85° C standard |
The figure above shows the pilot of a flange mount nose. Listed dimensions are identical for the servo mount option.
Click to download/view larger drawing
AMCI makes buying PLC-based automation easy...our sales group will help you:

Contact AMCI Sales today:
860-585-1254

AMCI's sales team takes the hassle out of placing your order. We'll advise on product selection, alternatives, lead times, and present you with point of purchase options. Call (860) 585-1254 or email AMCI sales today!
Generate your absolute multi-turn analog rotary shaft encoder part number by using this helpful ordering guide. Starting from left to right, use the following diagram and table to choose the desired options. Each gray box must contain a single alphanumeric character. Please note the following…
| Part Number Character | Absolute Analog DuraCoder Selections | Most Popular Selections |
|---|---|---|
| Mounting style: | F1 = 2.65" Square Flange S1 = 58mm Servo Mount | F1 (Square Flange) |
| Shaft Seal Type & Housing Material: | B = Nitrile seal, aluminum housing C = Viton seal, stainless steel housing V = Viton seal, aluminum housing | B (Nitrile seal) |
| Shaft diameter: | 1 = 0.375" diameter 3 = 0.250" diameter 4 = 6 mm diameter 6 = 10 mm diameter | 1 (0.375" diameter) |
| Output type: | C = Current output V = Voltage output | V (Voltage output) |
| Output coding: | Output Type = "C" 1 = 4 to 20 mA 2 = 0 to 20 mA -- or -- Output Type = "V" 1 = 0 to +10 Vdc | 1 (0 to +10 Vdc) |
| Output period: | 0001 to 1024: # of turns for full scale output | 0250 (250 turns for full scale output) |
| Connector: | E = End connector S = Side connector | E (End connector) |
| Mating Connector & Cordset (optional): | MS-37 Mating connector sold separately CNFL-5M Molded cordset (5 meter length) sold separately | |
| Part Number Character | Absolute Analog DuraCoder Selections | Most Popular Selections |
|---|---|---|
| Mounting style: | F1 = 2.65" Square Flange S1 = 58mm Servo Mount | F1 (Square Flange) |
| Shaft Seal Type & Housing Material: | B = Nitrile seal, aluminum housing C = Viton seal, stainless steel housing V = Viton seal, aluminum housing | B (Nitrile seal) |
| Shaft diameter: | 1 = 0.375" diameter 3 = 0.250" diameter 4 = 6 mm diameter 6 = 10 mm diameter | 1 (0.375" diameter) |
| Output type: | C = Current output V = Voltage output | V (Voltage output) |
| Output coding: | Output Type = "C" 1 = 4 to 20 mA 2 = 0 to 20 mA -- or -- Output Type = "V" 1 = 0 to +10 Vdc | 1 (0 to +10 Vdc) |
| Output period: | 0001 to 1024: # of turns for full scale output | 0250 (250 turns for full scale output) |
| Connector: | E = End connector S = Side connector | E (End connector) |
| Mating Connector & Cordset (optional): | MS-37 Mating connector sold separately CNFL-5M Molded cordset (5 meter length) sold separately | |
Originally designed for mill-duty applications and earth mining equipment, AMCI’s resolver-base...
PDF Download
Resolver-based Rotary Shaft Encoders provide the heaviest duty 2.5" rotary shaft encoder availa...
Read the Tutorial